Acest site foloseste cookies. Navigand in continuare, va exprimati acordul implicit asupra folosirii cookie-urilor. [Afla mai multe]

Produse

Informaţii

Produse vizualizate

Cilindru telescopic hidraulic pentru remorci agricole si industriale Mărește

*Imaginile, dimensiunile si preturile sunt informative, pentru detalii va rugam sa ne contactati telefonic.

Cilindru telescopic hidraulic pentru remorci agricole si industriale

60734

Produs nou

Cilindru telescopic hidraulic pentru remorci agricole si industriale

More details

Disponibil la comanda

1 474,00 lei fara TVA

Livrare: 3-6 zile

Informații

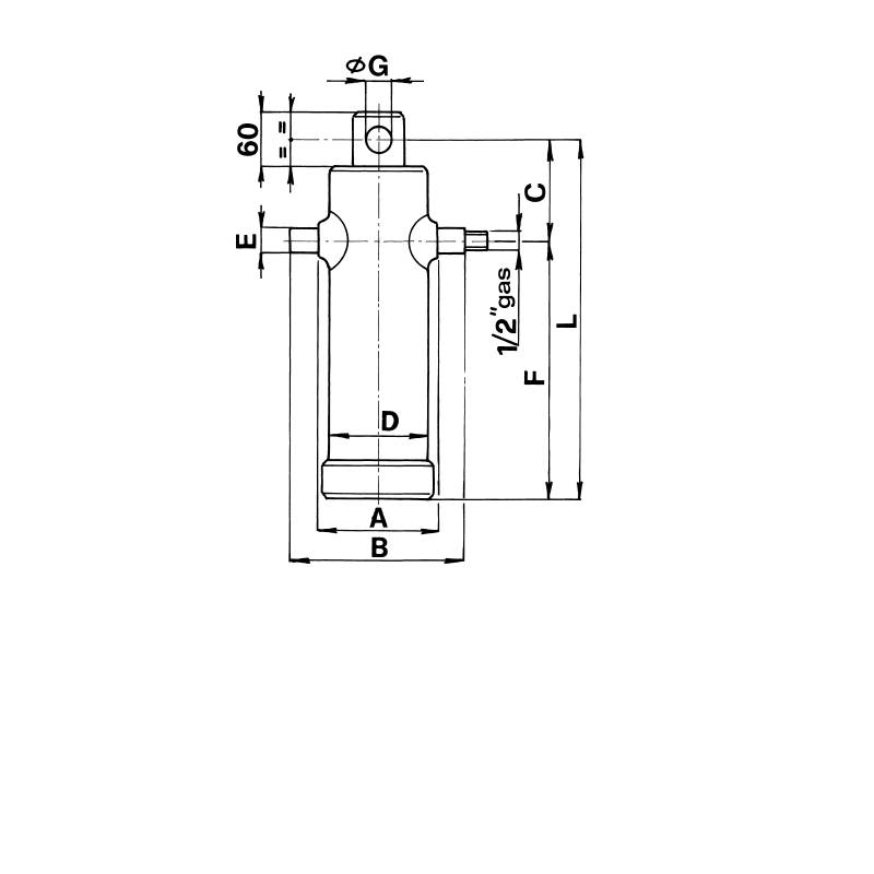
Cilindru telescopic hidraulic pentru remorci agricole si industriale

- dimensiuni orientative:

- dimensiuni in schita atasata.

-sistemul de prindere tip ochi

- D=124mm,

- L=452mm,

- L1=497mm,

- C=112mm,

- C1=157mm,

- A=150mm,

- B=230mm,

- E=40mm,

- F=340mm,

- capacitate=10 litri,

- G=31mm,

- H=95,

- I=55

-cursa:1300mm

-este cu patru sectiuni-cilindri, diametru sectiuni: 61mm, 76mm, 91mm si107mm

-la presiunea de 180 bari ridica 10000kg

Recenzii

Nu sunt opinii ale clienților în acest moment.

Scrieţi o recenzie

Cilindru telescopic hidraulic pentru remorci agricole si industriale

Cilindru telescopic hidraulic pentru remorci agricole si industriale

Cilindru telescopic hidraulic pentru remorci agricole si industriale